Peugeot 307 Schaltplan 206cc Schaltplan Changeover Tsb Contactor Eco
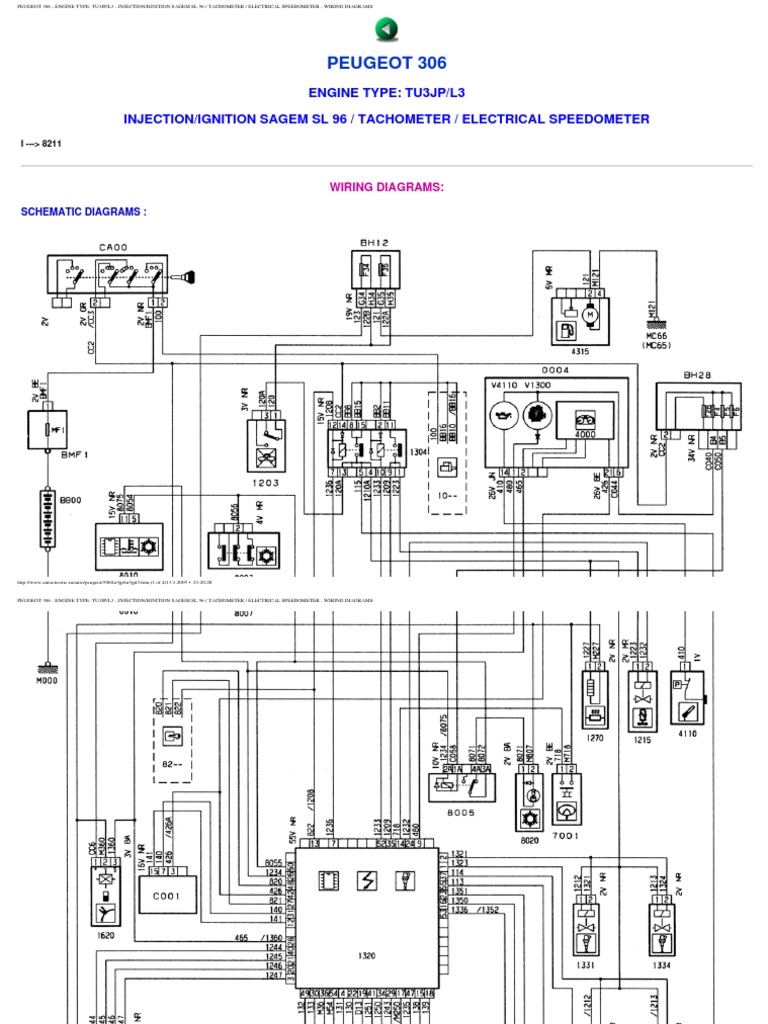
If you are {looking for|searching about} Peugeot 307 Complete Wiring Diagrams you've {came|visit} to the right {place|web|page}. We have 16 {Pics|Pictures|Images} about Peugeot 307 Complete Wiring Diagrams like Peugeot 307 Complete Wiring Diagrams, [DIAGRAM] Peugeot 406 Hdi Wiring Diagram FULL Version HD Quality Wiring and also Peugeot 206 startet nicht mehr - Startseite Forum Au.... {Read more|Here you go|Here it is}:

![[DIAGRAM] Peugeot 406 Hdi Wiring Diagram FULL Version HD Quality Wiring](https://blogger.googleusercontent.com/img/b/R29vZ2xl/AVvXsEhW9loTzfW_riy_jX3zgyV8pHYVgAsu21p496YW2QHoP2A5O6lFQUhdI59Pj3Oe15zghHcYaBrS0v9WvFY-seWBsZKs_jJFCLQcERQ_crncUDfq4xSRk1LTvytCdvFCNEdvohpRWFXvsfo/s1600/Peugeot+206+Wiring+Diagram.jpeg)
![[DIAGRAM in Pictures Database] Peugeot Boxer 2013 Wiring Diagram Just](https://i.ytimg.com/vi/6T4UlR1KOfQ/maxresdefault.jpg)
![[DIAGRAM] Peugeot 307 Bsi Wiring Diagram FULL Version HD Quality Wiring](https://detoxicrecenze.com/wp-content/uploads/2019/07/peugeot-307-engine-diagram-peugeot-307-starter-motor-wiring-diagram-of-peugeot-307-engine-diagram.jpg)
![RADIOMANIA 226: [View 37+] Elektrischer Schaltplan Peugeot 206](https://images.sowirdsgemacht.com/vorschaubaende/band121/3.jpg)
Comments
Post a Comment